Скільки датчиків температури на Ауді 100 С3?
Audi 100 100 III (C3)
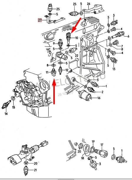
Скільки датчиків температури на Ауді 100 1990 р.в. з мотором 2.0Е, бензин(мотор RT) AVANT і місце їх встановлення?
1 Ответы
1
Судя по каталогу запчастей, стоит два датчика температуры (№10 указано — датчик температуры для а/м с регулируемым катализатором), напишите вин номер вашего автомобиля.

задан 8 лет назад
Похожие материалы
Как заменить 4-х контактный ДТОЖ Ауди 100 С3?
Qa
579
1
Не работает температура охлаждающей жидкости на панели приборов Ауди 100 С3
Qa
3.1k
1
Как проверить указатель ТОЖ на приборной панели Ауди 100 С3?
Qa
1.5k
1
Как проверить датчик ТОЖ Ауди 100 С3?
Qa
4.4k
2
Как заменить тросовый спидометр на электро в Ауди 100 С3?
Qa
3.8k
1
Где находится датчик температуры на Ауди 100?
Qa
15.8k
1