Где находится датчик температуры на Ауди 100?
Audi 100 100 III (C3)
1 Ответы
0
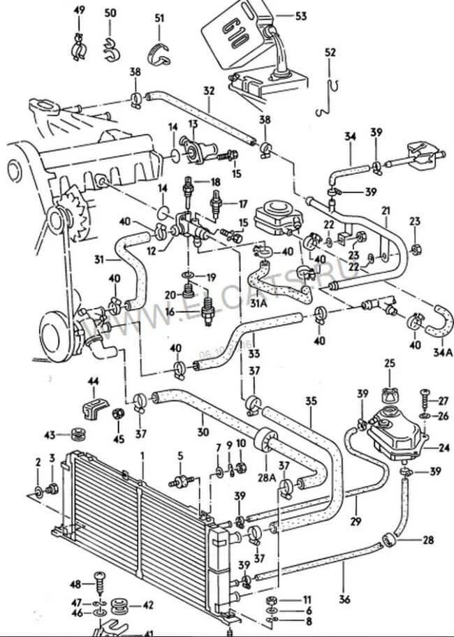
В 4-х цилиндровых двигателях NP, JW, PH, SH установлены следующие датчики температуры:
- Позиция 16 — датчик температуры;
- Позиция 17 — термовыключатель, 55/65C M10X1, 2-штекерн., бел., моторы NP, JW, SH;
- Позиция 17 — трехконтактный термовыкл-тель, мотор PH;
- Позиция 18 — термовременной выключатель, 35C M14X1,5, мотор PH.

В 5-ти цилиндровых моторах KU, HX, PX, NF:
- 18 датчик температуры 0-125C M10X1 1-штекерн. черн., или -/118C M14X1,5 4-штекерн. коричневый на моторе NF;
- 19 датчик температуры 120C M10X1 2-штекерн. бел., или 2-штекерн. черн. M10X1 на моторе NF.

задан 9 лет назад
Похожие материалы
Как заменить 4-х контактный ДТОЖ Ауди 100 С3?
Qa
579
1
Не работает температура охлаждающей жидкости на панели приборов Ауди 100 С3
Qa
3.1k
1
Как проверить указатель ТОЖ на приборной панели Ауди 100 С3?
Qa
1.5k
1
Как проверить датчик ТОЖ Ауди 100 С3?
Qa
4.4k
2
Скільки датчиків температури на Ауді 100 С3?
Qa
2.5k
1
Как заменить тросовый спидометр на электро в Ауди 100 С3?
Qa
3.8k
1