Электрическая схема работы вентилятора Ауди 100
Audi 100 100 IV (C4)
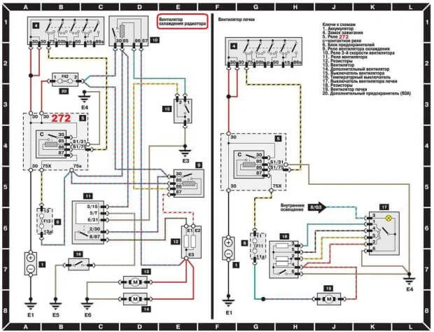
Ауди 100, С4, 1993 г.в., 2,0I, АВК.
На холодный двигатель кратковременно включаю зажигание и выключаю — включается вентилятор обдува радиатора(подкапотного пространства).
Заменил реле 272 и синий датчик регулировки режимов работы вентилятора — не помогло. Думали коротят провода от 272 датчика на синий датчик — обрезали, кинули независимые, результат тот же.
В чем причина? Где можно посмотреть эл-ю схему(на той, что у меня есть — других вариантов нет)?
Сегодня вынул 272 реле и так езжу, иначе садит аккумулятор в ноль.Спасибо за ответ ([email protected]).
1 Ответы
0
Похожие материалы
После заводки глохнет и трещит какой то релюшкой Ауди 100 С4
Qa
423
1
Можно ли на датчике Холла поменять полюсами питающие провода?
Qa
500
1
Не крутит стартер Ауди 100 Ц4
Qa
8k
3
Нужен переходник для диагностики двигателя AAR
Qa
237
1
Дергается стрелка тахометра и машина глохнет Ауди 100 Ц4
Qa
1.4k
1
Большая утечка тока в Ауди 100 С4
Qa
4.9k
2
