Как подключить дворники для проверки на 2112?
ВАЗ (Lada) 2110/2111/2112 2112
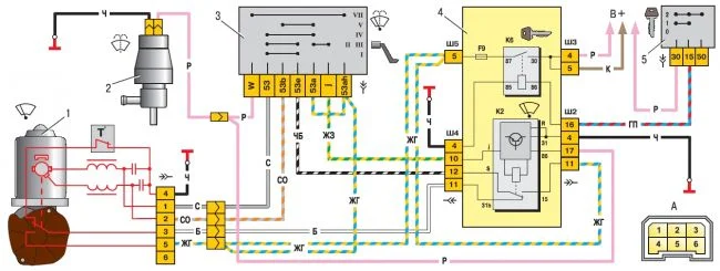
Пучок проводов от электродвигателя стеклоочистителей идет сначала в блок предохранителей, а уже после блока предохранителей на переключатель? 2112 16 кл. Нужно найти провод который отвечает за первое «прерывистое» положение стеклоочистителей. Хочу на этот провод подать плюс с АКБ для проверки
1 Ответы
0
На колодке стеклоочистителя серый провод (на схеме на колодке обозначено № 1)

задан 7 лет назад
Похожие материалы
Ремонт стартера ВАЗ 2110
Видео
8.9k
0
0
Можно ли ездить если сгорел предохранитель от печки на 2112?
Qa
855
3
Не всегда срабатывает усиленный замок зажигания в ВАЗ 2112
Qa
1k
4
Короткое замыкание на предохранителе габаритных фар ВАЗ 2112
Qa
629
1
Отгорел полностью оранжевый провод на 2112
Qa
3.3k
3
Не горят габариты оба и ближний свет на 2112
Qa
1.5k
1