Где находится подключение массы стоп сигналов на Фольксваген Пассат?
Volkswagen Passat Passat B3
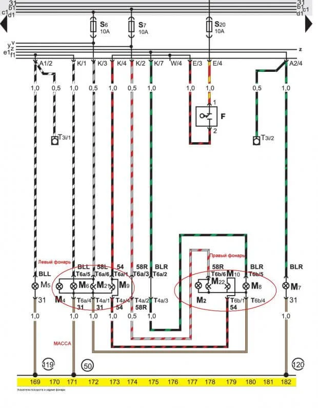
Подскажите, где конкретнее находится подключение массы отвечающей за работу задних стоп сигналов и поворотников. По схеме пишут, что подсоединение находится в районе левого кожуха. А где он(левый кожух) конкретнее находится и как к нему подобраться чтобы проверить подсоединение к массе? Спасибо заранее!
1 Ответы
0
В левом фонаре и с него идет на правый, если найти не можете бросьте еще одну отдельно.

задан 10 лет назад
Похожие материалы
Откуда запитаны провода катушки зажигания Пассат Б3?
Qa
596
1
Нет питания на стартер, клапан газа и реле моноинжектора в Пассат Б3
Qa
212
1
Зуммер и горит лампочка давления масла в Пассат Б3
Qa
1.8k
2
Установка подогревателя Старт-М на Volkswagen Passat B3
Видео
14.2k
5
0
Перегорает предохранитель обогрева заднего стекла на Пассат Б3
Qa
6.9k
6
Диагностика Фольксваген Пассат Б3 своими руками
Видео
42.9k
80
0