Не работает бензонасос в Митсубиси Спейс Руннер
Mitsubishi Space Runner Space Runner I
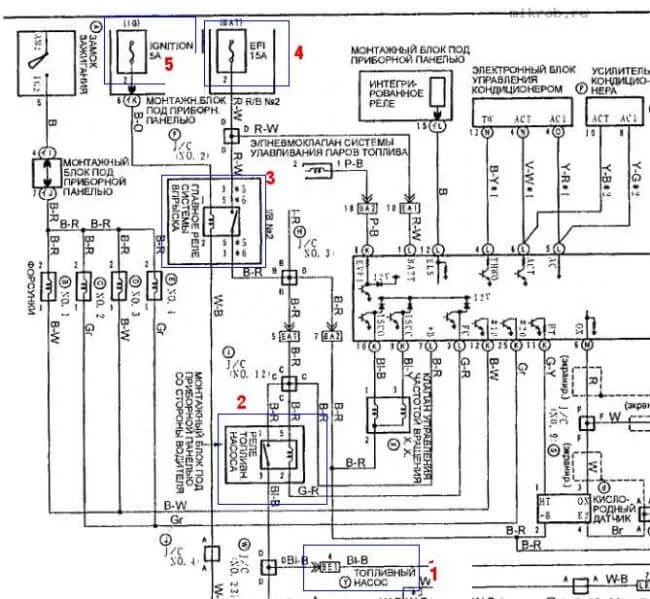
Откуда идут провода на бензонасос? В них нет напряжения
2 Ответы
1
Вот посмотрите по схеме

задан 9 лет назад
0
Так у вас и зажигания скорее всего нет, я к тому смысл мастерить тумблер. Вы предохранитель смотрели под капотом в блоке. Такой там у вас блок? Вот на фото красным обведен пред. Посмотрите он целый?

задан 9 лет назад
Похожие материалы
Сколько вольт подавать на моторчик дроссельной заслонки Митсубиси Спейс Руннер?
Qa
1k
3
Не работает освещение заднего номера на Митсубиси Спэйс Руннер
Qa
2.1k
1
Падает напряжение в Митсубиси Спейс Руннер
Qa
1.4k
1
Как разъединить фишку на датчике температуры ОЖ Митсубиси Спейс Раннер?
Qa
989
1
Отключаем сигнализацию на машине
Статьи
785.3k
446
48
Ошибка P0172: слишком богатая смесь. Причины и диагностика
Статьи
688.3k
755
77