Где находится датчик давления масла на Ситроен Ц5?
Citroen C5 C5 I
Выдаёт ошибку «низкое давление масла», и светится «стоп». Хочу проверить датчик. Может кто сталкивался? Что это ещё может быть?
3 Ответы
1
Когда есть сомнения, то давление масла в двигателе проверяют механическим манометром.
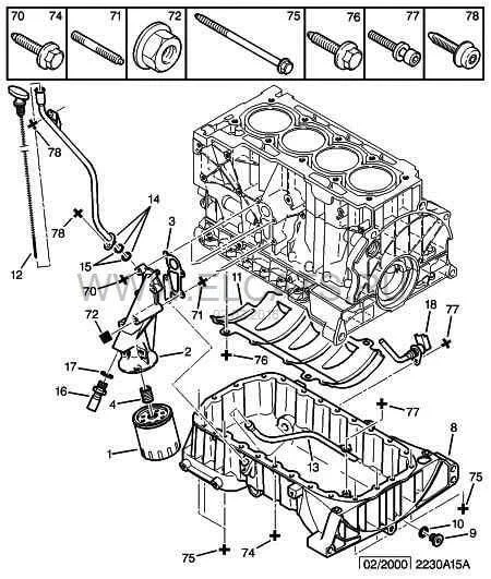
Если с двигателем угадал, то вот датчик около масляного фильтра № 16

Так он выглядит

задан 10 лет назад
0
Спасибо за ответ. Буду проверять)
задан 10 лет назад
0
Вы вот спрашиваете, а двигатель какой? Давление низкое это может быть. Какой двигатель?
задан 10 лет назад
Похожие материалы
Ошибка по клапану фазорегулятора в Ситроен С5
Qa
1.2k
4
Не крутит вентилятор печки Ситроен С5
Qa
657
1
Куда идут провода от насоса подвески Ситроен С5?
Qa
692
1
Не включается стартер в Ситроен С5
Qa
2.5k
3
Ищу электросхему тормозной системы Ситроен Ц5
Qa
627
2
Горит STOP и лампочка ручника в Ситроен С5
Qa
2.6k
3