Ищу электросхему гидроподвески Ситроен Ц5
Citroen C5 C5 I
Здравствуйте. Подскажите где можно взять подробную электросхему с расшифровкой по гидравличской подвеске С5. Не идет сигнал на управление клапанами насоса гидроподвески. Сам моторчик работает, но с установленным блоком управления клапанами, масло не идет. Тестирование компьютером ошибок и обрывов датчиков не зафиксировало.
2 Ответы
-1

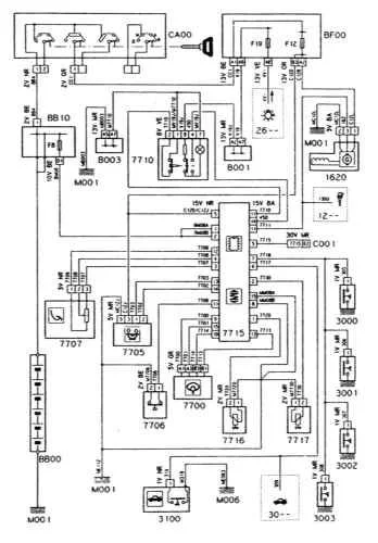
возможно подойдет...
задан 10 лет назад
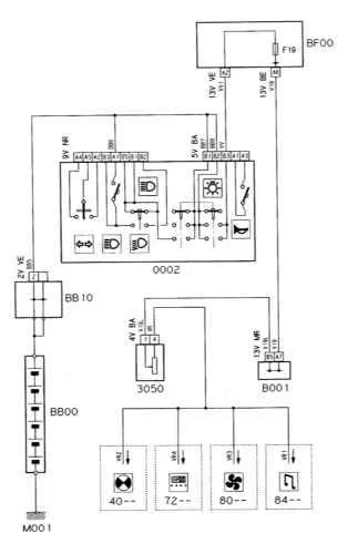
1

на первом общая схема, на этом-реостат управления интенсивностью подвески.
задан 10 лет назад
Похожие материалы
Ошибка по клапану фазорегулятора в Ситроен С5
Qa
1.1k
4
Ищу электросхему тормозной системы Ситроен Ц5
Qa
533
2
Ошибки Р0011 и Р0012 в Ситроен Ц5
Qa
1.6k
1
Где блок управления центрального замка в Ситроен С5?
Qa
5.1k
1
Плавает зарядка АКБ на Ситроен
Qa
4.5k
5
Свечи накала Ситроен С5, почему включаются произвольно?
Qa
1.8k
1