Как подключить иммобилайзер на Пассат Б4?
Volkswagen Passat Passat B4
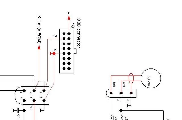
Снял панель приборов, отсоединил провод иммобилайзера, не могу найти куда подсоединить назад. Где стоит блок?
2 Ответы
0

1- +12В
2- на ЭБУ
3- диагн.разъем
6- масса
задан 6 лет назад
0
задан 6 лет назад
Похожие материалы
Ошибка 00530 в Пассат Б4
Qa
709
1
Как адаптировать иммобилайзер к новому ЭБУ в Пассат Б4?
Qa
3.2k
2
Как отстегнуть фишку ЭБУ Фольксваген Пассат Б4?
Qa
2k
1
Троит на средних и выше оборотах Фольксваген Пассат Б4
Qa
7.3k
7
Как отключить иммобилайзер в ЭБУ Фольксваген Пассат Б4
Qa
17.3k
3
Нет тока на катушке Фольксваген Пассат Б4
Qa
6k
2
