Как называется шланг сверху в системе охлаждения Ауди 80 Б4?
Audi 80 80 V (B4)
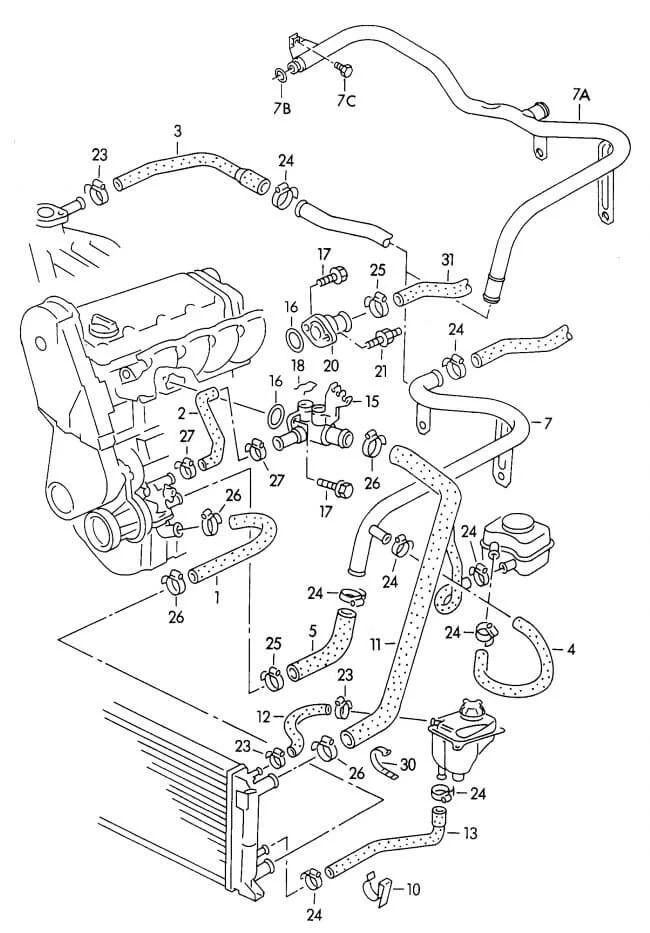
Добрый день. Интересует название данного шланга с картинки, который расположен сверху. Спасибо.

1 Ответы
1
Они все называются либо шланг(например №3), либо трубопровод(например №7А). Различают их по артикулу, №7 имеет артикул 048 121 065 D. В народе эту трубку называют обводной.
Ваша схема с пояснениями в каталоге.
задан 8 лет назад