Как открыть топливный фильтр дв.DW12TED4 для замены фильтрующего элемента ?
Citroen C5 C5 I
Как открыть топливный фильтр дв.DW12TED4 для замены фильтрующего элемента? Боюсь сломать корпус.
2 Ответы
0
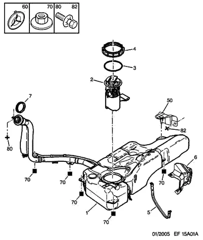
Бензонасос состоит из
- Плужнжер;
- Рессивер (походу с фильтром);
- Прижимная штанга;
- Верхняя часть с пружинками и хреньками;
- Нижняя часть с редуктором и перепускным клапаном;
- Фильтр тонкой очистки.

Разбирается элементарно:
Нижнюю часть отстёгиваете с клипс и отвёрточкой тоненькой подаёте вниз… Сначала будет туго… потом как по маслу, по идее должно быть, снимаете её.



задан 13 лет назад
0
Не понимаю сути вопроса, что может быть не понятно?головкой и трещеткой. Корпус пластиковый и приржаветь нечему все держится только за счет трения подсохшей резины.
задан 13 лет назад
в
верос
6
Похожие материалы
Замена ремня генератора Ситроен С5
Видео
26k
11
2
Замена ремня ГРМ на Ситроен С5 2.0
Видео
40.4k
16
1
Замена салонного фильтра на Citroen C5
Руководства
39.1k
41
1
Загорелись индикаторы ABS, тормозной системы, стоп после поломки генератора
Qa
2.6k
2
Замена ремня ГРМ на Ситроен Ц5, обязательно ли спец фиксаторы?
Qa
2.9k
1
Замена ремня ГРМ в Cитроен С5
Qa
3.4k
1