Как разобрать двигатель Тойота Рав 4, 2006?
Toyota RAV 4 RAV 4 III (XA30)
Если можно видео.
3 Ответы
0
Вы запросили слишком большой объём информации. Руководство по ремонту и обслуживанию.
задан 10 лет назад
0
Ломать не строить, разобрать мотор имея инструмент не сложно! С какой целью?
задан 10 лет назад
0
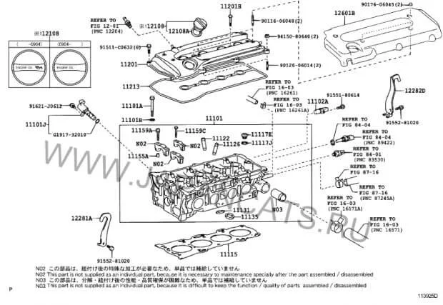
Есть видео как начинается разборка.
Если хотите снять головку и добраться до прокладки ГБЦ.
Ещё есть рисунки.

Но для этого ещё придётся снять цепь. И самое главное потом устанавливать по меткам. Справитесь ли самостоятельно?
задан 10 лет назад
Похожие материалы
Какую выбрать бу Тойота РАВ4 3?
Qa
331
2
Какой артикул нижней дроссельной заслонки Тойота РАВ4 D-CAT 2.2?
Qa
815
1
Какой артикул дросельной заслонки Тойота РАВ4 мотор D-CAT?
Qa
1.3k
1
Как заменить привод системы Valvematic в Тойота РАВ4?
Qa
11.2k
3
Откуда в свечах антифриз, Тойота Рав 4?
Qa
1.7k
4
Стук в двигателе Тойота Рав 4
Qa
8.2k
3