Как самому поменять замок на боковой двери?
Volkswagen Transporter Transporter T5
1 Ответы
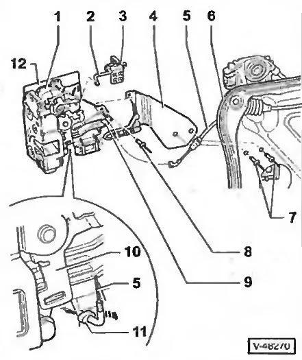
Как снять замок двери Фольксваген Транспортер 5:
1) Снимите облицовку двери.
2) Снимите наружную ручку двери.
3) Снимите кронштейн навесных агрегатов.

4) Высверлите в кронштейне (6 на картинке) головки заклепок (7).
5) Открепите от противоопоры (9) тросовую тягу (5).
6) Поверните тросовую тягу на 90 градусов и выньте ниппель (11) из проушины в рычаге (10).
7) Выньте стопорную штангу (2) с зажимом (3) и снимите с кронштейна замок двери (1) вместе с крепежным уголком (4).
8) Высверлите головку заклепки (8) и снимите уголок с дверного замка.
(Это делается при каждой замене замка).
Как установить дверной замок Фольксваген Транспортер 5:
1) Приклепайте к замку новый крепежный уголок.
2) Потяните отпирающий рычаг (1) в сторону.

3) Отверткой (3) подтяните пружину (2) и навесить её на рычаг.
4) Далее, установите детали в обратном порядке.
5) Проверьте работу замка при открытой двери.