Как заменить ДТОЖ в Ауди 100 Ц4?
Audi 100 100 IV (C4)
Где находится ДТОЖ? Надо ли сливать антифриз?
1 Ответы
Снимать ДТОЖ лучше на холодном моторе. При выключенном зажигании снимаете разъём с датчика и можно его откручивать. Сливать антифриз желательно, но не обязательно. Можно подставить небольшую ёмкость под отверстие ДТОЖ(если есть место для этого). На всякий случай новый датчик держите в готовности к установке. Если не открывать крышек радиатора и расширительного бачка, то антифриза вытечет совсем не много(из-за герметичности системы), но только на холодном моторе. При установке ДТОЖ надо проконтролировать наличие уплотняющей шайбы(обычно медной) между датчиком и его гнездом. После установки разъёма замена считается законченной.
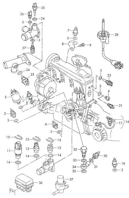
Поскольку неизвестно какой мотор и какой именно датчик температуры нужен(на ЭБУ или на стрелку), то смотрите сами на схеме. В двигателях AAE, AAD, ABK это номера 12 и 13. Мотор ACE номера 22 и 23. Двигатель ABB №27
