Перестали включаться скорости на Фольксваген Пассат
Volkswagen Passat Passat B3
Вот у меня произошла такая беда. Перестали включаться скорости. При снятии чехла рычага скорости обнаружил что кулиса, или как там правильно, шток выскочил из рычага переключения скоростей. Подскажите что и как сделать? Заранее спасибо. Вот примерное фото, правда нарисовано от руки.

9 Ответы
Если вы хотите отремонтировать самостоятельно, то вот посмотрите видео, как человек отремонтировал тяги. Автомобиль правда не вашей модели, но система соединения кулис идентичная.
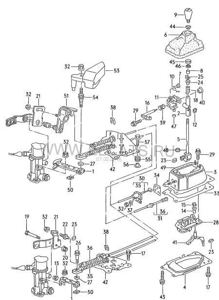
Вот рисунок из каталога. Ваш вертикальный рычаг (шток) под номером 5. и наверное про которую втулку вы спрашиваете, она по номером 48, называется демпфер (или втулка штока). деталька под номером 23, называется шплинт. Выдвигаю версию: может шплинт отстегнулся, демпфер выпрыгнул и трос вывалился (но точно не знаю, не приходилось заниматься такой конструкцией).

Безопаснее всего купить исправный
Вот решил поменять на б/у, думаю подойдет или нет?
Вот фото указано стрелками что случилось

Скажите, а вот на тросике под номером 2, должна быть какая-нибудь резиновая втулка, так как у меня ее нет
Вот фото под стрелкой указано, кольцо живо, а резинового уплотнения нет. Осталось одно железное кольцо, вот он и сваливается с самого рычага.


Но вот фото, под стрелками указано что из чего выпало
Я хотел еще вот что спросить, на шкиву на круглой что показано стрелкой, должно что нибудь быть, кольцо может резиновое? И на рычаге нет посадки что показано стрелкой, спасибо.

