Место установки клапана радиатора ОГ № 345
Volkswagen Touran Touran I
Где на Volkswagen Touran находится клапана радиатора отработавших газов № 345 (клапан рециркуляции отработанных газов)?
2 Ответы
0
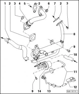
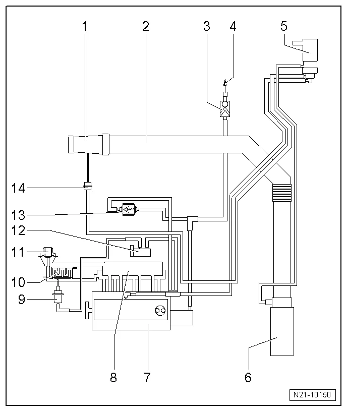
смотри на схеме:



задан 12 лет назад
0
В зависимости от мотора, какой у тебя стоит, к примеру, на моторе BLS, клапан рециркуляции отработанных газов, стоит между маслозаливной горловиной и стенкой моторного отсека, прям над клапаном EGR. Легко доступен и так же легко меняемый. Вместе с этими картинками думаю разберешься
 
задан 12 лет назад
Похожие материалы
Замена подушки двигателя Туран
Видео
7.3k
6
1
При прогреве дым с пассажирской стороны, Фольксваген Туран
Qa
2.5k
3
Каков интервал замены комплекта ГРМ на Туране?
Qa
3.5k
3
Как правильно установить задающее кольцо датчика коленвала?
Qa
15.5k
2
Где стоит датчик оборотов вала Фольксваген Туран?
Qa
508
1
Дымит на холодную мотор Фольксваген Туран
Qa
287
2