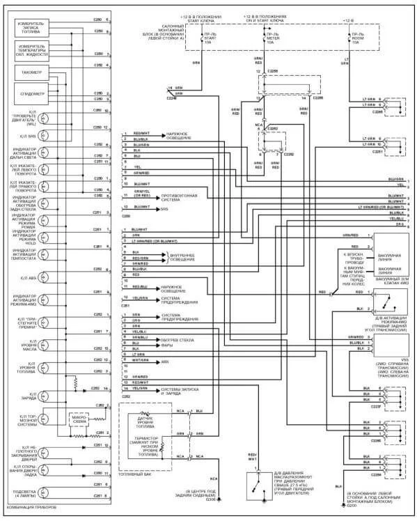
Где найти схему тахометра и спидометра Киа Спортаже?
Kia Sportage Sportage I
Как найти схему тахометра, и как проверить неисправность датчика скорости?
1 Ответы
1
Схема комбинации приборов Kia Sportage
задан 10 лет назад
Похожие материалы
Расшифровка значков на приборной панели
Статьи
5920k
4.9k
491
Обозначения на приборной панели
Статьи
2895.2k
1.9k
202
Check Engine
Статьи
625.6k
752
22
Горит лампа подушек безопасности: причины и диагностика
Статьи
427.7k
362
3
Значки на панели приборов Форд Фокус 2
Qa
261.1k
2
Что означает значок снежинка на Форд Фокус 2?
Qa
233.5k
2