Перегорает предохранитель на 140 ампер в Лексус RX 300
Lexus RX RX I
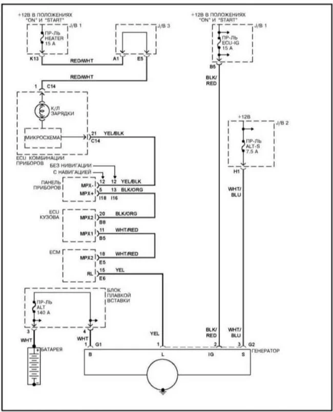
Здравствуйте господа спецы. У моего друга перегорел предохранитель на 140 ампер. Заменили, поставили другой, тоже перегорел. Может ли из-за севшего аккумулятора, но мы аккумулятор зарядили? Подскажите, какие могут быть причины? Заранее благодарю
4 Ответы
В эл. цепи короткое замыкание. Нужно искать. А на что стоит предохранитель на 140А?
Если зажигание не включено и пред. перегорает, ищите козу в районе стартера. Если перегорает при старте, ищите козу в стартере. Если при включении зажигания, то ищите козу в цепях согласно назначению предохранителей в монтажном блоке. Поясните когда он сгорает.
Тогда копайте в направлении генератора, как проводку так и внутренности генератора. Я думаю К, З. Вам легко удастся определить.
Это цепь силового провода + от АКБ на генератор. Снимите толстый провод + с генератора. Посмотрите перегорает, прозвоните провод на массу.

Похожие материалы