Подтекает топливо из топливного насоса Фольксваген Транспортер Т4
Volkswagen Transporter Transporter T4
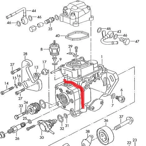
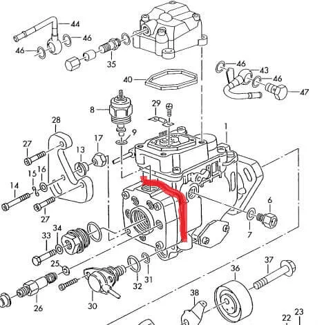
Подтекает топливо с топливного насоса со стороны трубок на форсунки. Как устранить. Спасибо.

1 Ответы
0
Течь может из-под крышки, а может из-под вала. Тут нужно близко внимательно осматривать его смотреть от кудо течёт.
задан 8 лет назад
Похожие материалы
Двигатель 2.4 дизель не поступает топливо к форсункам Транспортер Т4
Qa
2.7k
1
Какой момент затяжки распылителя форсунки Фольксваген Транспортер Т4?
Qa
1.3k
1
Нужна схема подключения топливных трубок на Фольксваген Т4
Qa
4.9k
1
Одинаковы ли верхние крышки ТНВД на ААВ и АJA?
Qa
198
1
Нужно описание топливной системы Фольксваген Транспортер Т4
Qa
4.1k
1
Продольный люфт вала ТНВД 1.9 ABL Транспортер Т4
Qa
1.9k
1
