Есть ли ремкомплект ТНВД двигателя AJT Фольксваген Транспортер Т4
Volkswagen Transporter Transporter T4
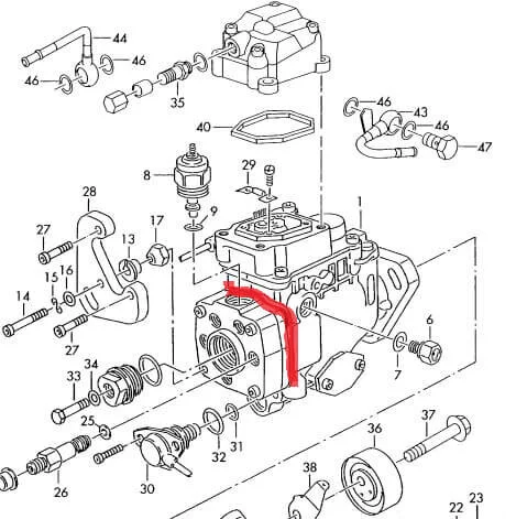
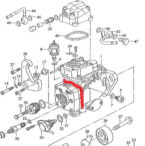
Существуют ли ремкомплекты на ТНВД двигатель AJT 2.5D? Если быть конкретным, то интересует не то прокладка, не то пластина, в части, отмеченной красным
1 Ответы
1
Ремонт ТНВД вопрос специфический, требующий специальных знаний и оборудования. Попробуйте найти какой нибудь дизель клуб. Простые сервисы возят ТНВД в специализированные мастерские, что там с ними делают нам не ведомо, просто платим деньги.
задан 9 лет назад
Похожие материалы
Двигатель 2.4 дизель не поступает топливо к форсункам Транспортер Т4
Qa
2.7k
1
Какой момент затяжки распылителя форсунки Фольксваген Транспортер Т4?
Qa
1.3k
1
Нужна схема подключения топливных трубок на Фольксваген Т4
Qa
4.8k
1
Одинаковы ли верхние крышки ТНВД на ААВ и АJA?
Qa
195
1
Нужно описание топливной системы Фольксваген Транспортер Т4
Qa
4.1k
1
Продольный люфт вала ТНВД 1.9 ABL Транспортер Т4
Qa
1.9k
1
