Что за отверстие на коробке в Гольф 3?
Volkswagen Golf Golf III
Здравствуйте, подскажите пожалуйста, что за отверстие находится на коробке рядом с двигателем под капотом? Может там стоит какая то заглушка, не могу найти нигде что это?


По фото не понятно, приложите фото более крупного плана и напишите вин номер авто.
–
Михаил Самсонов
6 лет назад
Что то вин не пробивается по каталогу запчастей. На фото плохо видно, резьба есть в отверстии? Укажите модель двигателя и кпп.
–
Михаил Самсонов
6 лет назад
Резьбы нету, модель не знаю, но объем 1.8, 1992 года выпуска, бензин и модель кпп тоже не известна. Я понимаю что это пальцем в небо но мне хотя бы примерно знать для чего это? И может ли оно как то влиять на плохую работу авто?
–
Максим Гурмаза
6 лет назад
Резьбы нет - а может это часть пробки осталась с резьбой, в виде кольца?
–
Михаил Самсонов
6 лет назад
1 Ответы
0
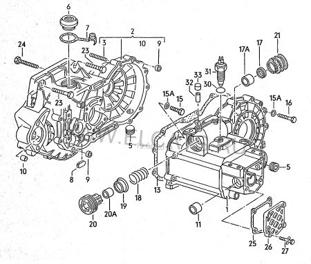
Если такая кпп, то №21 — пробка резьбовая (M36X1,5) артикул VAG 020 301 129 B. №20 — колпачок VAG 020 301 132.

4 ст. акпп, артикулы такие же

задан 6 лет назад
Похожие материалы
Замена сцепления и подшипника дифференциала КПП Volkswagen Vento / Golf 3
Руководства
77.5k
37
1
Стартер крутит не вращает коленвал Гольф 3
Qa
520
1
Снятие МКПП и ремонт привода сцепления на Volkswagen Golf 3 ADZ
Руководства
64.8k
98
1
Коробка АКПП встала в аварийный режим Гольф 3
Qa
2.8k
6
Замена тросика сцепления на Volkswagen Golf 3
Руководства
41.3k
113
0
Есть ли разница датчиков селектора АКПП Гольф 3?
Qa
1.1k
1