Центральный замок не открывает двери с брелка
ВАЗ (Lada) 2110/2111/2112 2112
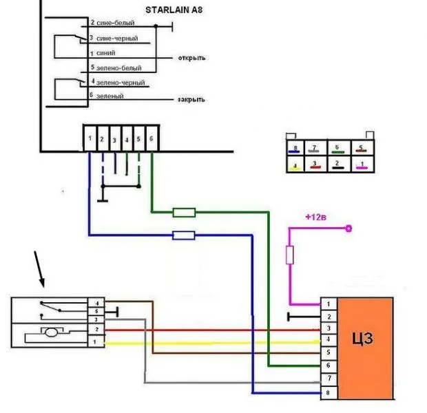
Нужна помощь, центральный замок не открывает вообще никакую дверь с брелка. Закрывать закрывает, а вот открывать нет. На брелке пищит что двери открываются/закрываются, сигналка старлайн, 2112. А вручную или ключом, и открывает, и закрывает.
3 Ответы
0
Ищите сгоревший предохранитель.
задан 10 лет назад
0
Читайте это
задан 10 лет назад
0
Скажите, у вас штатный БЦЗ удален или нет? Потому что подключение немного разное. Некоторые не парятся и выбрасывают БЦЗ, но при этом при закрывании/открывании ключом замки не срабатывают, срабатывают только при постановке/снятии с охраны. Если БЦЗ стоит на месте(справа от педали газа, за щитком), то виной того что замки не открываются с пульта, может быть микрик в актуаторе водительской двери, или проводка к нему.

задан 10 лет назад
Похожие материалы
Ремонт стартера ВАЗ 2110
Видео
8.9k
0
0
Можно ли ездить если сгорел предохранитель от печки на 2112?
Qa
855
3
Не всегда срабатывает усиленный замок зажигания в ВАЗ 2112
Qa
1k
4
Короткое замыкание на предохранителе габаритных фар ВАЗ 2112
Qa
629
1
Отгорел полностью оранжевый провод на 2112
Qa
3.3k
3
Не горят габариты оба и ближний свет на 2112
Qa
1.5k
1