Расположение датчика давления масла Пежо 806, 1.9 т.д.?
Peugeot 806 806
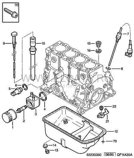
При запуске и после него, стрелка, давления масла, на панели не шевелится. Где находится датчик масла?
1 Ответы
0
Нашел только аварийный №5 
задан 11 лет назад
Похожие материалы
Как проверить датчик скорости
Статьи
553.6k
334
35
Проверка датчиков двигателя
Статьи
351.1k
451
3
Неисправность датчика детонации
Статьи
303.2k
302
4
Неисправности датчика дроссельной заслонки
Статьи
278.4k
203
6
Неисправность датчика расхода воздуха
Статьи
250.3k
269
20
Проверка датчика температуры охлаждающей жидкости
Статьи
248.6k
184
26