Где найти пластиковую втулку рычага МКПП, Сузуки Гранд Витара?
Suzuki Grand Vitara Grand Vitara II
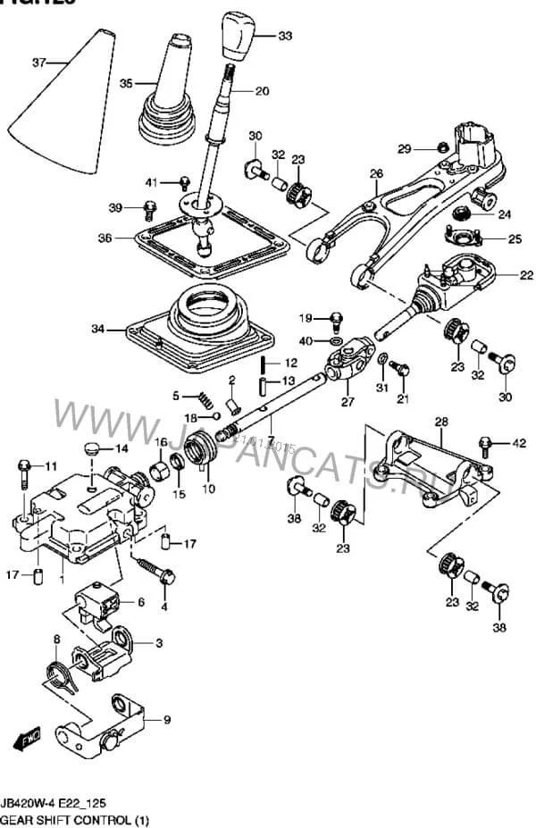
Подскажите! Как найти втулку пластиковую, или ее номер, куда вставляется рычаг переключения передач из кабины. Там откручивается кольцо железное, присоединенное тремя болтами и вытаскивается рычаг, на нижнем конце шар с усиками, и на него надевается пластиковая втулка, которая вставляется в стакан. Спасибо.
1 Ответы
0
Здесь есть?
Здесь есть?
задан 11 лет назад
Похожие материалы
Замена масла в АКПП Suzuki Grand Vitara
Видео
49.3k
25
2
Замена сальника раздаточной коробки Suzuki Grand Vitara
Руководства
44.4k
62
3
Как открутить пробки на раздатке и КПП Сузуки Гранд Витара 3?
Qa
2.4k
1
Замена сцепления Suzuki Grand Vitara
Статьи
24.4k
15
0
Переключатель режимов раздаточной коробки не переключается в "4Н LOCK", Сузуки Гранд Витара
Qa
4.4k
1
Как прокачать сцепление Сузуки Гранд Витара
Qa
11.1k
1