Регулятор холостого хода, где находится?
Audi A6 A6 I (C4)
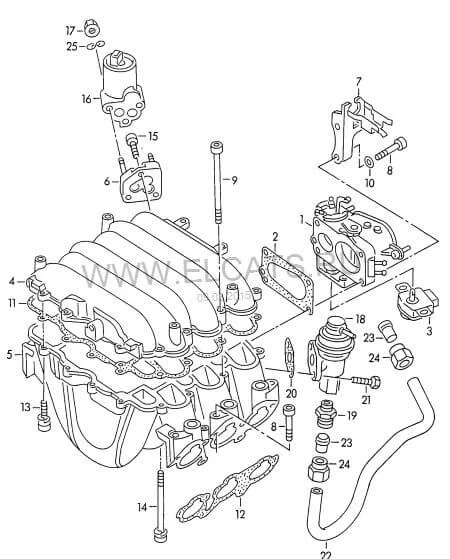
Где находится, на двигателе Ауди, 2,8, аск, регулятор холостого хода?(если можно фото)
1 Ответы
2
на схеме №16

задан 10 лет назад
Похожие материалы
Большой расход и вибрация двигателя Ауди А6 С4
Qa
1.1k
3
Какие причины расхода и вибрации двигателя Ауди А6 С4?
Qa
304
1
Повышенный расход топлива в Ауди С6 Авант
Qa
1.5k
2
Повышенные обороты холостого хода в Ауди А6 С4
Qa
1.4k
1
Плавают обороты на холостом ходу Ауди А6 С4
Qa
782
3
Троит на холодную первые 20 секунд Ауди А6 Ц5
Qa
2.4k
1