Как заменить ремень генератора Фольксваген Туран?
Volkswagen Touran Touran I
Добрый день!
Как самому заменить ремень генератора? Какое расположение ремня должно быть?
Volkswagen Touran I 2003 — 2010. 1,4л., 1,6л., 2,0л., - это бензиновые; 1,9л., 2,0л. - это дизельные двигатели. У вас какой?
–
Анатолий.sib
8 лет назад
1 Ответы
0
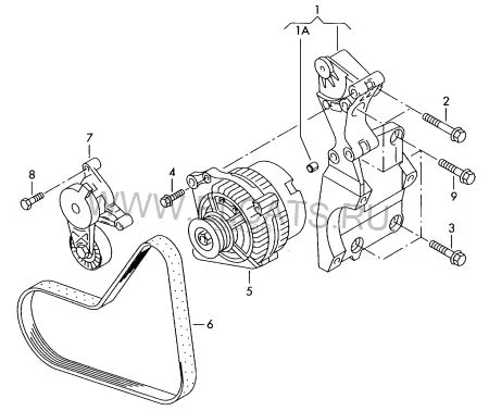
Как заменить приводной ремень (ремень генератора) описано тут. Нужно ослабить натяжитель, ключом на 16, зацепив за выступ натяжителя, далее можно установить штифт для блокировки натяжителя, поменять ремень, убрать штифт. Схема ремня указана ниже.



задан 8 лет назад
Похожие материалы
Какое лучше заливать моторное масло Фольксваген Туран дизель?
Qa
576
2
Сколько масла нужно залить в двигатель 1.9 ТДИ Фольксваген Туран?
Qa
7.1k
2
Замена ремня ГРМ Фольксваген Туран
Видео
9k
3
0
Какое масло в двигатель Фольксваген Туран 1.9тд?
Qa
3.8k
2
Какое масло в двигатель Фольксваген Туран 2.0?
Qa
1.9k
1
Какой интервал замены зубчатого ремня Фольксваген Туран, мотор FVS
Qa
7.4k
3