Схема подключения стеклоподъемников ВАЗ 2110
ВАЗ (Lada) 2110/2111/2112 2110
Здравствуйте. Хочу установить стеклоподъемники на ВАЗ 2110. Подготовки под стеклоподъемники нет, буду подключать все с нуля. Дайте, пожалуйста, схему заводского подключения в хорошем качестве.
1 Ответы
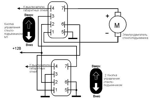
Ниже на фото электрическая схема подключения стеклоподъемников на ВАЗ 2110 в заводском исполнении, пригодится не только при установке, но и если он перестанет работать (случается это часто):
Как подключить кнопки стеклоподъемника
Согласно распиновки, кнопка стеклоподъемника ваз 2110 подключается по такой схеме:

Проводку лучше не изготавливать самостоятельно, а приобрести готовый комплект для установки. Сэкономите много времени и средств. Также рекомендую подключить все согласно схеме и обязательно через блок предохранителей, а подачу напряжения к переключателям делать только при включенном зажигании через реле типа 904.3747-10.
Обратите внимание, если у вас есть подготовка под стеклоподъемники (проложена проводка), то подробности по подключению смотрите в этом ролике:
Подключение дублирующей кнопки стеклоподъемника
Изначально в кнопке стеклоподъемника между минусовыми контактами “2”, “6” и “7” сделаны перемычки. Для того чтобы подключить дублирующую кнопку стеклоподъемника ВАЗ 2110, эти контакты необходимо разъединить. После этого подключение стеклоподъемников выполняется в следующей последовательности:
- Контакт “1” основного — контакт “1” дублирующего;
- Контакт “2” основного — контакт “5” дублирующего;
- Контакт “3” основного — контакт “3” дублирующего;
- Контакт “6” основного — контакт “4” дублирующего;
- Контакт “7” основного — контакт “2” дублирующего.
Установка дублирующей кнопки выполняется достаточно просто. В конечном итоге должна получиться приблизительно следующая схема:
Подробнее о подключении дублирующего стеклоподъемника можно узнать, посмотрев видео ниже.
Похожие материалы


