Нужна схема соединения трубок патрубков на двигателе 2е 2.0 115 лс Сеат Толедо
Seat Toledo Toledo I
Здравствуйте! Досталась старенькая машинка 93 года рождения с частично разобранным двигателем. Не могу понять куда какие шланги идут, с вакуумом разобрался.
1 Ответы
0

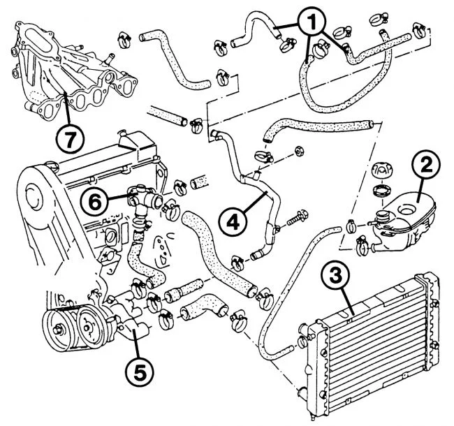
Шланги системы охлаждения для двигателя с карбюратором 2Е2: 1 — карбюратор; 2 — расширительный бачок; 3 — радиатор; 4 — отводная труба; 5 — водяной насос с корпусом термостата; 6 — патрубок на головке цилиндров; 7 — впускной трубопровод
задан 5 лет назад
Похожие материалы
Нет держателя мембраны в клапане вентиляции картера на Толедо
Qa
1.1k
1
Не набирает обороты и глохнет Сеат Толедо
Qa
1.8k
1
Сколько масла в двигателе 1.6 Сеат Толедо
Qa
1.9k
1
Рвется передняя подушка под двигателем в Сеат Толедо
Qa
1.4k
2
Завожу машину и она начинает набирать обороты
Qa
1.9k
1
Отпускаешь педаль газа машина глохнет
Qa
6.6k
3