Нужна схема системы охлаждения Ситроен Берлинго 2
Citroen Berlingo Berlingo II
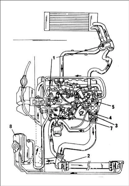
Схема циркуляции ОЖ наглядная, где увидеть?
1 Ответы
0

Вот схематично система охлаждения ДВС

Что именно вы хотите понять в этой системе? Напишите какой мотор у вас.
задан 8 лет назад
Похожие материалы
Как снять шланги с печки Ситроен Берлинго 2?
Qa
10.9k
2
Как заменить термостат в Ситроен Берлинго?
Qa
9.1k
1
Желтая лампочка в виде восклицательного знака в Ситроен Берлинго 2
Qa
433
2
Когда менять масло в ручной коробке передач Ситроен Берлинго 2?
Qa
272
2
Замена воздушного фильтра Citroen C3 / C4 / C5 / Berlingo
Видео
14.9k
5
1
Каким должно быть давление в шинах Ситроен Берлинго 2?
Qa
835
2