Нужна схема подключения патрубков системы охлаждения Форд Транзит
Ford Transit Transit VI
1 Ответы
0
Вот схемы, и все «форд транзит»



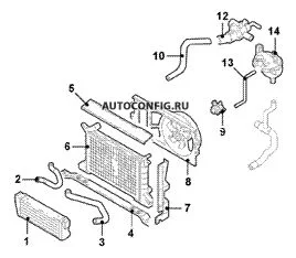
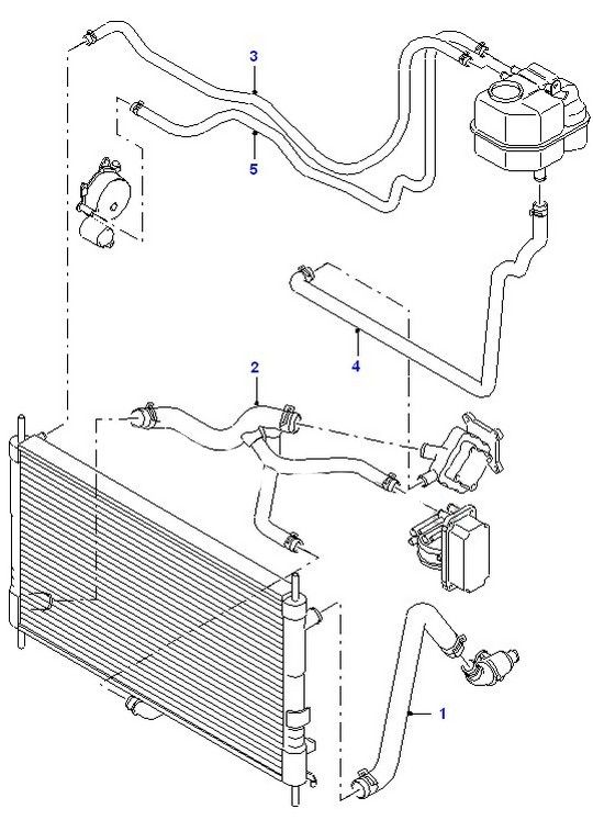
Форд Транзит шестого поколения (FY) комплектовался двигателями объемом, 2.0, 2.3 и 2.4 литра разной мощности. Ниже представлены схемы подключения патрубков по каждому из двигателей.
Схема трубопроводов и патрубков системы охлаждения:
Мотор объёмом 2.0 (Duratorq DI) модификации мощностью 75,85,100,125 л.с.

Мотор объёмом 2.3 DOHC 145 л.с

Мотор объёмом 2.4 (Duratorq DI/TDCI) модификации мощностью 75,90,115,120,140 л.с

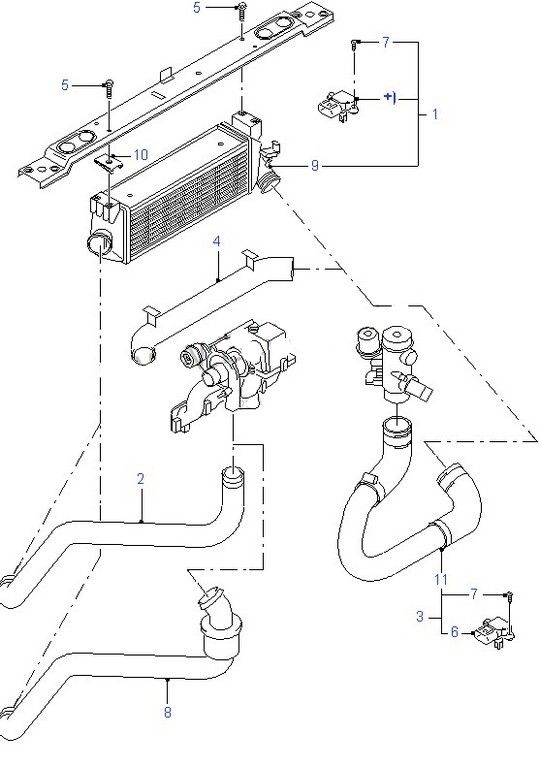
Схема воздуховодов и патрубков теплообменника:
Схема одинаковая для всех двигателей.

задан 9 лет назад
Похожие материалы
Греется двигатель при движении авто
Qa
2.5k
1
Номер ошибки P0251 в Форд Транзит 6
Qa
666
2
Как только в нагрузку ДВС теряет мощность и глохнет Форд Транзит 6
Qa
1.5k
9
Какой ТНВД должен стоять на Форд Транзит Ван 350?
Qa
275
1
Снятие и установка ГБЦ Форд Транзит
Руководства
3.3k
5
0
Как снять шланг ГУРа Форд Транзит 6?
Qa
926
1