Почему не включается вторая скорость вентилятора на Фольксваген Шаран?
Volkswagen Sharan Sharan I
Не включается вторая скорость вентилятора. Нет охлаждения двигателя. Нет охлаждения кондиционера. Где искать? Заранее спасибо!
Напрямую - это когда ЭБУ включает вентилятор. Вы как заставили ЭБУ включить вентилятор?
–
Николаевич
10 лет назад
Напрямую, это когда перемыкают контакты на колодке реле включения вентилятора.
–
fedja38
10 лет назад
2 Ответы
0
Предохранители вентиляторов смотрели?
задан 10 лет назад
0
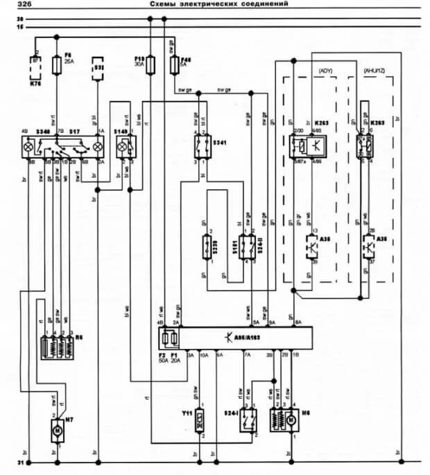
Смотрите часть схемы, у вас датчик температуры(S24) двух режимный. Проверьте его замкнув контакты 2-3. Первая скорость (1-2) у вас включается, вторая нет. Если с контактами датчика все в порядке нужно проверять блок управления мотором вентилятора(А95).


задан 10 лет назад
Похожие материалы
Двигатель с первого раза не заводится, но насос включается, что за проблема в Фольксваген Шаран?
Qa
3k
2
Замена аккумулятора на Volkswagen Sharan
Видео
10.7k
5
1
Как зайти в самодиагностику двухзонной климатической системы Фольксваген Шаран?
Qa
5.6k
3
При выключении зажигания открываются все стекла в Шаране
Qa
1.2k
3
Как управлять вебасто в Фольксваген Шаран?
Qa
11.3k
2
Что означает код ошибки 01135 в Фольксваген Шаран?
Qa
2.5k
1