Когда менять ремень привода маслонасоса Фольксваген Шаран 2?
Volkswagen Sharan Sharan II
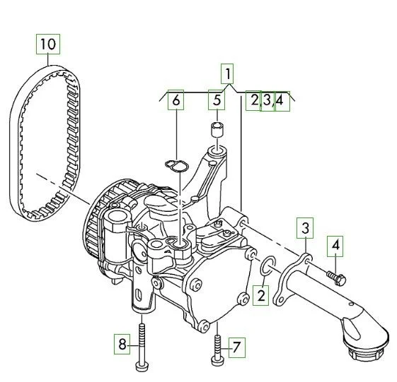
Какая периодичность замены ремня привода масляного насоса на Шаране 2016 года?
1 Ответы
0
Меняйте ремень до 120 000 км пробега (как и ремень ГРМ), даже можно до 100 000 км менять (если в пробках часто стоите), оригинальный ремень VAG 04L 115 264 A, можно аналог взять.

задан 5 лет назад
Это информация основанная на отзывах, по ссылке https://www.drive2.ru/b/515302068349567470/ (двигатель другой), автор поменял ремень на 104 000 км и он уже был немного ослаблен.
–
Михаил Самсонов
5 лет назад
Спасибо, Михаил!
Если не секрет откуда эта информация? Даже в Эльзе ее не нашел.
–
Jurit
5 лет назад
Это не источник. Я сегодня заезжал на дилера. Там мне сказали, что замена ремня насоса нет в регламенте ТО. VAG о его замене молчит.
–
Jurit
5 лет назад
Похожие материалы
Когда менять ремень ГРМ Фольксваген Шаран 2?
Qa
1.1k
1
Как заменить ГРМ на Фольксваген с двигателем 1,9 TDI
Видео
27.9k
17
0
Загорелась надпись ТО через 17 дней вФольксваген Шаран 2
Qa
363
2
Ошибки Р012300, Р210000, Р205В00 в Фольксваген Шаран 2
Qa
432
0
Как почистить дроссельную заслонку Фольксваген Шаран 2?
Qa
839
1
Как заменить колонку в дверях Фольксваген Шаран 2?
Qa
412
1