Не включаются скорости на Фольксваген Пассат
Volkswagen Passat Passat B3
Не включаются скорости. На выключенном движке включаются с трудом, а на заведенном нет. И сцепление свободно ходит. При отпускании не возвращается до конца.
3 Ответы
1
Привод сцепления у вас же гидравлическое, а не тросик. Утечка жидкости. Какой-то цилиндр сцепления потек скорее всего.
задан 10 лет назад
1

А если тросик, то его видно было бы на педали.
задан 10 лет назад
0
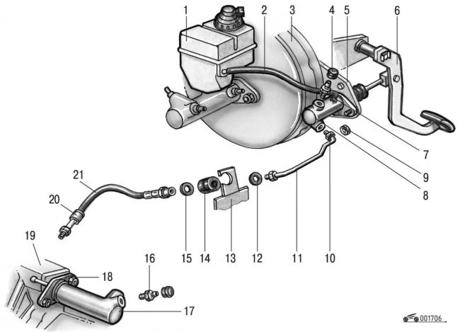
Да похоже что гидро, так как под педалью стоит какой-то вроде цилиндра. Потом сфоткаю, а под капотом вот так.

задан 10 лет назад
Похожие материалы
Какая должна быть посадка внутреннего кольца подшипника задней ступицы Пассат Б3?
Qa
482
1
Пробуксовывает сцепление при наборе скорости Пассат Б3
Qa
1.5k
2
Как подсоединить трос переключения скоростей к рычагу в Пассат Б3?
Qa
811
1
Обрыв крепления троса переключения передач к рычагу КПП в Пассат Б3
Qa
3k
2
Как извлечь остатки ступичного подшипника Пассат Б3?
Qa
582
2
Вторая передача не включается в Пассат Б3
Qa
2k
1