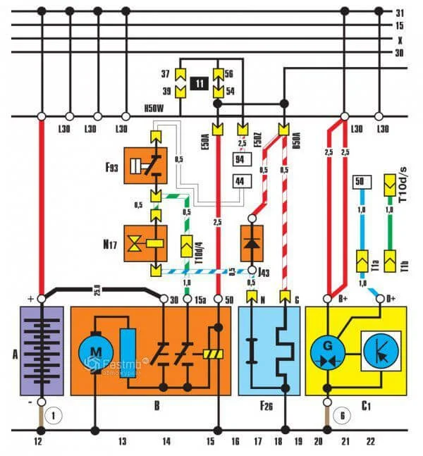
При температуре выше 90 стартер не крутит, Ауди 100, С4?
Audi 100 100 IV (C4)
2 Ответы
0
Ну вряд ли это как-то связано с нагревом двигателя. Проверяйте стартер и втягивающее принудительным включением куском провода от плюсовой клеммы АКБ(когда перестает с ключа крутить). Если будет включаться вероятно дело в замке или разъемах.

задан 10 лет назад
0
Проверьте сигнальный провод на стартер.
задан 10 лет назад
Похожие материалы
После заводки глохнет и трещит какой то релюшкой Ауди 100 С4
Qa
466
1
Можно ли на датчике Холла поменять полюсами питающие провода?
Qa
558
1
Не крутит стартер Ауди 100 Ц4
Qa
8.1k
3
Нужен переходник для диагностики двигателя AAR
Qa
274
1
Дергается стрелка тахометра и машина глохнет Ауди 100 Ц4
Qa
1.4k
1
Большая утечка тока в Ауди 100 С4
Qa
4.9k
2