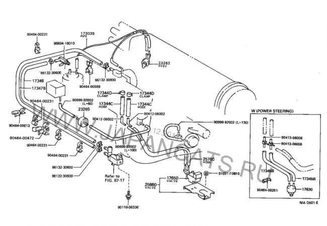
Нужна схема подключения трубопроводов к карбюратору Aisan K 28/32
Toyota Starlet Starlet III (P70)
Интересует подключение всех трубопроводов к карбюратору Aisan K 28/32
1 Ответы
1
На мотор 2ЕLC устроит?

А ниже 2ЕЕ

задан 7 лет назад
Нужна схема на 1 Е. Подобную схему я нашел, но вопросы остались. http://toyota-europe.epcdata.ru/starlet/ep70l/653/engine/1708/#2
–
oceanologer
7 лет назад
Если схема на 1Е уже у вас есть, тогда какие вопросы? Если не по схеме и не по трубкам, тогда создавайте другую тему.
–
Анатолий.sib
7 лет назад