Замена датчика температуры на включение вентилятора, в Ниссан Террано
Nissan Terrano Terrano II
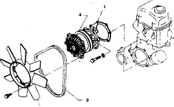
Где стоит температурный датчик включения вентилятора nissan террано
2 Ответы
0


Под № 2 есть гидро-муфта, датчика в таком случае, на включение вентилятора, не бывает.
задан 10 лет назад
0
А он там есть. Там у вас наверное муфта с терморегулятором. Когда нагревается мотор, происходит зацепление муфты.
задан 10 лет назад
Похожие материалы
Кипит антифриз в Ниссан Террано
Qa
904
1
Чем промыть систему охлаждения двигателя?
Статьи
572.2k
466
10
Неисправности помпы
Статьи
464.9k
281
2
Как можно выгнать воздушную пробку из системы охлаждения
Статьи
390.6k
345
5
ТОП 9 очистителей кондиционера
Статьи
311.3k
140
10
Плохо греет печка
Статьи
305.5k
171
2