Замена сервопривода воздушной заслонки, правой, Фольксваген Пассат Вариант
Volkswagen Passat Passat B6
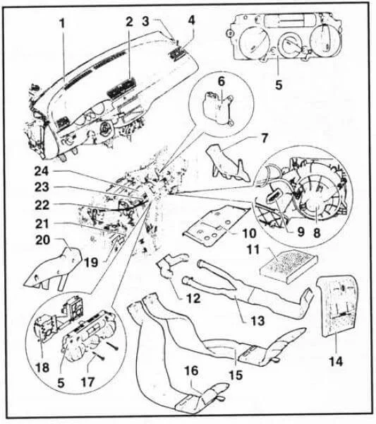
Схема расположения узлов и агрегатов системы подачи воздуха и кондиционирования.
1 Ответы
0
Схема системы подачи воздуха




задан 10 лет назад
Похожие материалы
Ошибка Р0016 в Пассат Б6
Qa
380
1
Замена батарейки в ключе Фольксваген
Руководства
105.7k
103
0
Климат-контроль не подает воздух в ноги на Пассат Б6
Qa
1.5k
2
Мигает спираль и упала тяга в Пассат Б6
Qa
20.3k
5
Ошибки 2016 и 1948 в Пассат Б6
Qa
2.3k
2
Загораются красным значки на панели в Фольксваген Пассат Б6
Qa
1.8k
5