Как снять защиту ГРМ на Мазда 323 БФ?
Mazda 323 323 III (BF)
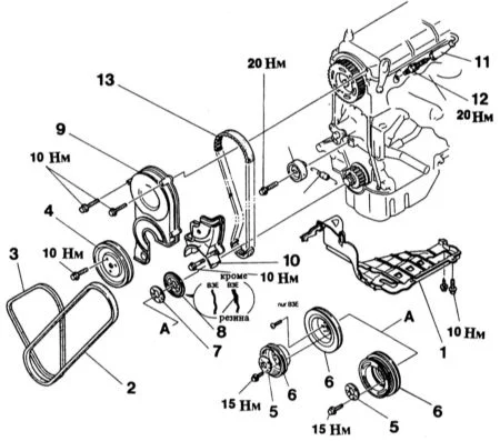
Уважаемые спецы! Как можно снять защиту ГРМ так как об неё трёт почему то шкив помпы? Может она просто деформировалась от старости может ее заменить?

1 Ответы
1
Может есть люфт помпы или кривой шкив, а может и защиту ремня повело, нужно проверить по месту. Открутите болты крепления защиты и при необходимости шкив помпы, подробнее тут.

задан 7 лет назад
В принципе я с защитой разобрался, а как снять шкив помпы и как потом при установке затягивать болты крепления, как шкив застопорить?
–
аноним
7 лет назад
Можно вставить например отвертку между болтами и откручивать по одному болту, не выкручивать до конца и отвертку ставить между двумя другими болтами.
–
Михаил Самсонов
7 лет назад
Похожие материалы
Запах масла из выхлопной трубы
Qa
280
2
Начали стучать гидрокомпенсаторы Мазда 323 БФ
Qa
306
1
Сколько гидрокомпенсаторов в Мазда 323 БФ?
Qa
455
1
Как самому снять гидрокомпенсаторы Мазда 323 БФ?
Qa
661
1
Как правильно обжимать болты крышки клапанов Мазда 323 БФ?
Qa
472
2
Какая помпа на двигатель 1324 см бензин Мазда 323 БФ?
Qa
396
2