Ищем...

Снятие и установка интеркулера Audi Allroad 2,5 TDI

15K
6
2

Радиатор интеркулера Ауди Олроад будем снимать для его очистки как внешней так и внутренней.

Установка интеркулера проводится в обратной последовательности, при этом необходимо учесть следующее:

  1. Шланги и шланговые штуцеры системы наддува воздуха должны быть очищены перед монтажом от масел и смазки.
  2. Для крепления всех соединений шлангов использовать хомуты соответствующей серии
  3. Установить передний бампер

Моменты затяжки:

  • Интеркулер к радиатору — 9 Нм
  • Конденсатор к интеркулеру — 9 Нм
  • Шланговые хомуты, ширина 13 мм — 5,5 Нм

Какой интеркулер ставить на Audi Allroad?

Оригинальный номер 4B0145805F, средняя цена около 24936 руб.

Аналоги:

  • NISSENS 96635 — 24226 руб.
  • NRF 30170 — 15723 руб.
  • BEHR HELLA 8ML 376 988-054 — 13875 руб.
Step 1
1
Step 2
2

Очистка шлангов интеркулера:

  • Подставить поддон для стока конденсата под шланг воздуховода левого интеркулера.
  • Снять нижний шланг воздуховода -стрелки-.

Возможно образование конденсата до 100 мл. - Тщательно очистить все шланги и соединительные штуцеры снаружи и изнутри, использовать обезжиривающее средство, не разрушающее резину. - Вновь установить шланг воздуховода. - Для правого интеркулера последовательность действий аналогична.

Step 3
3

Промываем радиатор интеркулера. Залил полтора литра спирта, заглушки подходящие с обоих сторон. Оставил на ночь отмокать.

Step 4
4
Step 5
5

Теперь моем радиатор интеркулера.

Step 6
6
  • Отсоединить электрический разъем датчика давления впускного коллектора -G71-.
  • Отсоединить шланги воздуховода от интеркулера.
  • Выкрутить винты -1- и -3-.
  • Снять интеркулер на правую сторону автомобиля.
Step 7
7
Step 8
8
Step 9
9
Step 10
10
Step 11
11
Step 12
12
Step 13
13
Step 14
14
Step 15
15

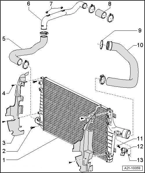
1 — Интеркулер

2 — 9 Нм

3 — Воздуховод

4 — Винт с крестообразным шлицем

5 — Шланг воздуховода

6 — Воздухонаправляющая трубка

7 — 9 Нм

8 — Шланг воздуховода

9 — Манжетное уплотнение

10 — Шланг воздуховода

11 — 9 Нм

12 — Датчик давления впускного коллектора -G71-

13 — Уплотнительное кольцо

Step 16
16
  • Отсоединить разъем -1-датчика высокого давления -G65-.
  • Снять датчик температуры наружного воздуха -G17-- поз. 4- с кронштейна.
  • Вывернуть болты -2- и -3- и снять кронштейн.
  • Снять конденсатор с креплений, потянув его вверх, и извлечь его вниз.
Step 17
17
Step 18
18
Step 19
19
Step 20
20
  • Снять шланг охлаждения гидроусилителя руля -стрелка-.
  • Снять шланг охлаждения гидроусилителя руля с присоединенными магистралями вниз.
Step 21
21
Step 22
22
Step 23
23
Step 24
24
Step 25
25

Открутить правый и левый воздуховод на интеркулере -стрелки-.

Step 26
26
Step 27
27

Снятие

  • Снять передний бампер
  • Расклипсовать крышку на радиаторе -стрелки-.

Было ли это руководство полезным?

Ваш отзыв помогает нам улучшать контент.

Не нашли ответ на свой вопрос?
Спрашивайте в комментариях. Ответим обязательно!

Обсуждение (1)

Войдите, чтобы оставить комментарий!
Войти

Guest Guest

12 — Датчик давления впускного коллектора -G71- к нему идет фишка?