Кондиционер и система кондиционирования BMW X5 E53
Данная статья будет посвящена системе кондиционирования автомобиля БМВ X5 E53, как обслуживать кондиционер на данном автомобиле, какие заправочные нормы хладагента и масла, а так же многие другие данные которые будут полезны станциям технического обслуживания. Поскольку движется жаркий сезон и спрос на обслуживание автомобильных кондиционеров вырастет, то не плохо бы было подготовится к этому времени тем сотрудникам и СТО, которые ранее не занимались подобными работами, но хотели бы расширить свой перечень услуг предлагаемых автовладельцам.

Проверка температуры системы
- Простую, но эффективную проверку температуры компонентов и линий системы кондиционирования можно осуществить, прикасаясь к ним рукой во время работы системы.
- При прогретом до рабочей температуры двигателе и включенной системе кондиционирования, эта проверка должна дать следующие результаты:
- Горячий компрессор.
- Горячая линия высокого давления от выхода компрессора до конденсатора.
- Горячий конденсатор со стороны входа.
- Горячий конденсатор со стороны выхода.
- Теплая линия подачи жидкости от конденсатора к испарителю (перед расширительным клапаном или трубки с жиклером).
- Холодный испаритель со стороны выхода.
- Холодная линия низкого давления на входе компрессора.
- Если результат проверки отличается от указанного, возможно сужение в линии или компоненте, температура которых не соответствует норме.
- Подтвердите это, выполнив проверку давления.

Расположение компонентов приборной панели: 1 – Электронный блок управления кондиционером; 2 – Датчик температуры за испарителем; 3 – Электродвигатель привода заслонки направления потоков воздуха (кондиционер/отопитель); 4 – Электродвигатель привода заслонки забора входящего воздуха кондиционера/отопителя; 5 – Блок управления электродвигателем вентилятора кондиционера/отопителя; 6 – Электродвигатель вентилятора кондиционера/отопителя; 7 – Электродвигатель привода заслонки обдува стекол; 8 – Электродвигатель привода заслонки подачи воздуха к ногам; 9 — Электродвигатель привода заслонки подачи воздуха к ногам, задняя часть салона(кондиционер/отопитель); 10 – Электродвигатель привода заслонки забора воздуха (кондиционер/отопитель); 11 – Диагностический разъем – 16-контактный; 12 – Испаритель; 13 – Расширительный клапан; 14 – Блок предохранителей/реле – за вещевым ящиком; 15 – Датчик температуры радиатора отопителя 1; 16 – Датчик температуры 2 радиатора отопителя.
Проверка давления в системе
- Фиксация показателей в линиях высокого и низкого давления — лучший способ проверки системы кондиционирования.
- ВСЕГДА одевайте подходящую защитную одежду, включая фторкаучуковые перчатки (кожаные или трикотажные перчатки не подходят для работы с системами, содержащими хладагент).
- ВСЕГДА одевайте защитные очки, поскольку утечка хладагента может привести к серьезным обморожениям незащищенных участков кожи и, особенно, глаз.
- Установите, какой тип хладагента используется в системе. ПРИМЕЧАНИЕ: Не следует заранее полагать, что заправлен правильный хладагент. Соотношения между давлением и температурой разных газов отличаются, что может привести к неверным результатам диагностики.
- Подсоедините манометр к сервисным разъемам контуров высокого и низкого давления.
- Выполните проверку давления, не запуская двигатель.
Количество хладагента в норме

Заправка кондиционера BMW
Если количество хладагента в норме:
- Выполните проверку давления при работающем двигателе.
Если количество хладагента ниже нормы:
- Вакуумируйте систему.
- Выполните проверку утечек, выполните ремонт при необходимости.
- Заправьте в систему правильное количество хладагента
- Выполните проверку давления при работающем двигателе.ПРИМЕЧАНИЕ: Статический тест способен показать только количество хладагента и не является окончательным.
Проверка давления при работающем двигателе

Система кондиционирования BMW: 1 – Электромагнитная муфта компрессора кондиционера; 2 – Датчик давления хладагента системы кондиционирования; 3 – Конденсатор; 4 – Диагностический разъем – 20-контактный; 5 – Электронный блок управления двигателем; 6 – Электродвигатель вентилятора системы охлаждения; 7 – Блок управления электродвигателем вентилятора системы охлаждения – встроенного типа; 8 — Датчик температуры электродвигателя вентилятора системы охлаждения – бензин; 9 – Клапан регулятора охлаждающей жидкости в отопителе; 10 – Электродвигатель насоса системы охлаждения; 11 – Испаритель; 12 – Расширительный клапан; 13 – Датчик чистоты воздуха, поступающего в отопитель; 14 – Сервисный разъем высокого давления; 15 – Сервисный разъем низкого давления; 16 – Ресивер/осушитель; 17 – Датчик температуры окружающего воздуха – в бампере.
Перед выполнением любых проверок при работающем двигателе, обратите внимание на следующие предварительные условия:
- На оребрении конденсатора и радиатора отсутствуют загрязнения.
- Кожухи вентилятора конденсатора/радиатора установлены правильно и не повреждены.
- Двигатель прогрет до нормальной рабочей температуры.
- Кондиционер включен.
Процесс проверки давления:
- Установите переключатель скорости вращения вентилятора кондиционера/отопителя в положение максимальной скорости.
- Установите заслонку забора воздуха в положение рециркуляции.
- Управление температурой кондиционера/отопителя — включен режим максимального охлаждения.
- Заслонки смешивания потоков воздуха или клапан отопителя полностью закрыты (если используются).
- Ремень(и) привода компрессора в хорошем состоянии.
- Электромагнитная муфта компрессора функционирует правильно.
- Салонный фильтр (если используется) установлен и находится в хорошем состоянии.
- Частота вращения коленчатого вала 1500 об/мин.
Система с трубкой и жиклером

Самодиагностика
Общая информация
- Электронный блок управления двигателем хранит коды неисправностей системы кондиционирования.
- Доступ к памяти электронного блока управления двигателем для считывания и стирания кодов может быть осуществлен только с помощью диагностического оборудования, подсоединенного к диагностическому разъему.


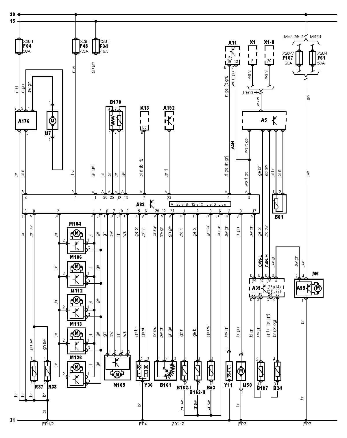
Электросхема системы кондиционирования
Общая информация

Салонный фильтр BMW X5
Система управления
- Управление работой компрессора производится датчиком давления хладагента.
- Система включает датчик температуры за испарителем.
- В систему входит клапан регулятора объема охлаждающей жидкости, проходящей через отопитель.
Ремонт системы
- Доступ к корпусу испарителя из салона автомобиля. Потребуется снятие приборной панели.
- Доступ к электродвигателю вентилятора кондиционера/отопителя из салона автомобиля. Потребуется снятие приборной панели.
Обслуживание системы
- Заменяйте салонный фильтр при каждом сервисном обслуживании I и II, смотрите индикатор сервисного обслуживания.
Заправка хладагента
- Специальные инструкции отсутствуют. Следуйте инструкциям изготовителя оборудования для заправки кондиционера.
Блок предохранителей/реле
Приборная панель

Блок предохранителей/реле
Полное описание блока предохранителей и реле:
| Предохранитель (Амперы) | Схема |
|---|---|
| F34 (7,5A) | Электронный блок управления кондиционером, реле обогревателя заднего стекла |
| F48 (7,5A) | Электронный блок управления кондиционером |
| F61 (50A) | Блок управления электродвигателем вентилятора системы охлаждения, электродвигатель системы охлаждения |
| F64 (50A) | Блок управления электродвигателем вентилятора кондиционера/отопителя |
Технические данные
Хладагент:
- тип — R134a;
- количество — 430-450 грамм.
Масло для кондиционеров:
- тип — 81229407724;
- количество — см. наклейку в подкапотном пространстве;
- компрессор — см. наклейку на компрессоре.
Была ли эта статья полезной?
Ваш отзыв помогает нам улучшать контент.
Похожие материалы



Обсуждение (0)
Пока нет комментариев!