Из чего состоят полуоси и принцип их работы?
Acura CL CL I
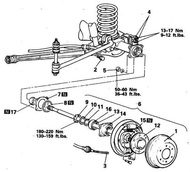
Нужно само строение. А модель и марку выбрала методом тыка. Буду очень благодарна.
2 Ответы
0
0
на этой картинке по нагляднее, полуоси вращаются через дифференциал, который регулирует движение каждого колеса при поворотах, сам при этом берет вращение от кардана, без дифференциала, одно колесо при повороте, шло бы юзом, или на оборот шло с пробуксовкой.
задан 11 лет назад
Похожие материалы
Инжекторный двигатель при резком газе захлебывается
Qa
913
5
Нужна мощная и прочная рессора
Qa
1.5k
1
Гнут или не гнут клапана двигатели Лада 2110?
Qa
796
1
Чем мыть систему охлаждения без вреда для помпы?
Qa
1.3k
1
Совместим ли антифриз G12 с медными деталями
Qa
3.7k
1
Почему в нормо часе сотые доли бывают больше 59?
Qa
1.1k
1
