Как найти заводские метки установки ремня ГРМ Чери Джагги? Мотор 1,3
Chery QQ6 (S21) QQ6 (S21)
2 Ответы
1
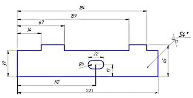
Чертежи. Тут будет плохо видно. Вот на файлообменнике лежит.
Стопор коленвала.

Стопор распредвалов.

задан 10 лет назад
0
Валы фиксируются фиксаторами. Коленвал в районе 4-го цилиндра, в нижней части блока цилиндров. Ключом на 17 выкручиваем болт-заглушку и на его место вкручиваем так называемый спецболт; вращая ключом на 22 коленвал туда-сюда, вкручиваем спецболт до конца в блок цилиндров.

Распредвалы фиксируются планкой спереди распредвалов. Снимаются шестерни, там прорези.


Чертежи есть в инете фиксаторов. Их можно изготовить.
Лучше вот смотрите инструкцию с фото как поменять ремень ГРМ на Джаги.
задан 10 лет назад