Как правильно выставить метки на двигателе 1.8 TDCi Форд Фокус 2?
Ford Focus Focus II
После снятия ГБЦ на двигателе 1.8TDCi Форд Фокус 2, как правильно выставить метки ремня ГРМ?
3 Ответы
0
Видео про выставление меток на дизельном моторе «форд фокус 2»
задан 10 лет назад
0
Вот ещё видео именно двигатель 1.8 TDCi. Тут и про метки
задан 10 лет назад
Спасибо! Это видео я уже скачал. Если внимательно прочитать вопрос, то станет понятно, что производилась замена ГБЦ, при снятии старой естественно метки ушли, стуканул движок. Внимание вопрос: Как правильно выставить метки после замены ГБЦ?
–
netetann
10 лет назад
0
Для того чтобы выставить метки, нужно установить коленчатый вал в ВМТ и зафиксировать приспособлением.

Далее поставьте стопор распределительного вала и устанавливайте ГБЦ.

Обратите внимание, при сборке нужно зафиксировать маховик от проворачивания. ТНВД нужно выставить по метке на звезде и отметке на блоке.
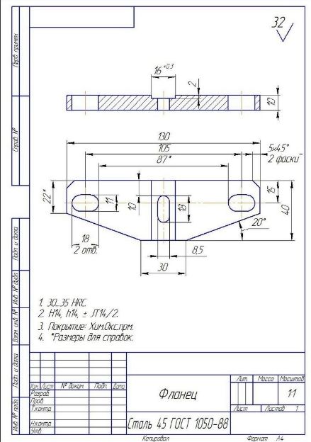
Чертеж приспособления для стопора распределительного и коленчатого вала. Сверху распредвал, снизу коленчатый вал.

Чертеж приспособления для стопора маховика.

задан 10 лет назад
Похожие материалы
Замена ремня ГРМ на Форд Фокус 2 (1.6 Duratec)
Руководства
134.5k
77
7
Замена генератора Форд Фокус 2
Руководства
33k
13
2
Топливный фильтр на Фокус 2
Статьи
21.6k
14
5
Замена ремня генератора Фокус 2
Статьи
161k
49
0
Замена топливного фильтра на Ford Focus 2, дизель TDCi 1.8
Руководства
41.5k
93
2
Замена ремня навесных агрегатов, кондиционера на Ford Focus 2
Руководства
54.9k
23
2