Как снять АКПП на Шевроле Круз
Chevrolet Cruze Cruze I
1 Ответы
Как обычно такие работы начинаются со снятия минусовой клеммы с аккумулятора и снимаем аккумулятор полностью. После чего надо снять поддон аккумулятора. Далее отсоединяем трос и тяги селектора диапазонов.


Сливаем жидкость из АКПП и снимаем разъём управления коробкой. И все провода с АКПП.

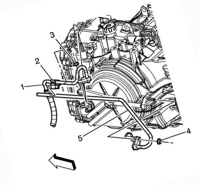
Снимаем трубки 1 и 5 с держателя 2. Отворачиваем гайку 3 и снимаем трубку 1. Откручиваем гайку 4 и снимаем трубку 5. Отверстия затыкаем от попадания грязи.

Вытаскиваем болты 2 из коробки. Поднимаем авто. Снимаем защиту снизу. Подставляем упоры под двигатель. Снимаем колесо, гибкую выхлопную, брызговики и нижнюю облицовку бампера. Снимаем провода с подрамника и сам подрамник. Снимаем левый и правый приводы, а также отсоединяем промежуточный вал от коробки. Далее снимаем кронштейн опоры коробки сзади и переднюю опору.


Теперь снимаем стартер и через окно стартера откручиваем и вынимаем болты держащие гидротрансформатор. Предварительно надо поставить метки на маховик и гидротрансформатор, для правильной сборки. Теперь можно отвернуть оставшиеся болты 1, 3, 4, 5 и снять АКПП.


Похожие материалы