Atlib.info
  • Каталог
  • Инструменты
  • Q&A
  • Tehdata
Deutsch English Español Français Русский
Войти
Atlib.info
  • Каталог
  • Инструменты
  • Q&A
  • Tehdata
  1. /
  2. Q&A
  3. /
  4. Volkswagen
  5. /
  6. Passat
  7. /
  8. Passat B5
  9. /
  10. Охлаждение и отопление

Как заменить мотор печки Фольксваген Пассат?

Volkswagen Passat Passat B5
0
задан 10 лет назад
спросил girdo61
5.7k просмотров

2 Ответы

0

Здесь есть

Добавить комментарий
задан 10 лет назад
Гнат
10136
0

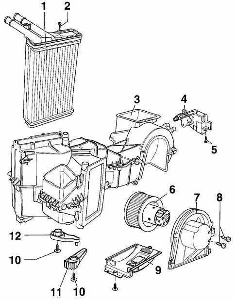
6-вентилятор отопителя. 7-кожух вентилятора. 9-блок резисторов.

Добавить комментарий
задан 10 лет назад
Серж Пушкин
6477

Похожие материалы

Замена термостата Фольксваген Пассат Б5
Замена термостата Фольксваген Пассат Б5
Руководства
30.7k
31
0
Замена радиатора печки на Volkswagen Passat B5+
Замена радиатора печки на Volkswagen Passat B5+
Руководства
77.8k
55
2
Замена ремня ГРМ на Volkswagen Passat B5
Замена ремня ГРМ на Volkswagen Passat B5
Руководства
18.7k
40
1
Замена фланца ОЖ на Фольсваген Пассат B5
Замена фланца ОЖ на Фольсваген Пассат B5
Руководства
13.6k
2
0
Кондиционер периодически подает теплый или прохладный воздух
Qa
1.3k
2
В новый компрессор кондея Volkswagen В-5 сколько залить масла?
Qa
6.3k
2

Также интересно

Завоздушивание печки Volkswagen Passat Variant

Qa 5.9k views

Есть видео по замене моторчика отопления салона?

Qa 2.3k views

Как снять трубку кондиционера?

Qa 4k views

Появляется пена в системе охлаждения Фольксваген Пассат

Qa 2.2k views

Как заменить гидромуфту в Фольксваген Пассат?

Qa 4.4k views
Atlib.info

Платформа технической документации для самостоятельного ремонта автомобилей.

© 2026 Atlib.info

Разделы
  • Каталог
  • Инструменты
  • Q&A
  • Tehdata
Контакты
  • [email protected]
  • Политика конфиденциальности
  • Пользовательское соглашение