Метки ГРМ Форд Фокус 2 двигатель 1,6 16V
Ford Focus Focus II
Помогите найти и выставить правильно метки ГРМ на Ford Focus II 2004 года с двигателем 1,6 16V HWDA
1 Ответы
Чтобы правильно выставить метки и заменить ремень грм на автомобилях Focus 2 Hatchback 1.6 i / 74 kW / 06/2004 — 12/2008 / HWD и Ford Focus '04 '08 1,6 16V / 1,6 / 74 / R-Cat / 2004 — 2011 / HWDA / HWDB стоит придерживаться следующей последовательности:

Снятие.
ВНИМАНИЕ: Звездочка (шестерня) коленвала не имеет шпоночного соединения с коленвалом.
1) Поднимите и подоприте переднюю часть автомобиля.
2) Снимите:
- Правое переднее колесо.
- Подкрылок правого переднего колеса.
- Шкив водяной помпы [1].
- Вспомогательный приводной ремень (ремни).
3) Отсоедините:
- Шланг вентиляции картера.
- Датчик положения распределительного вала.
- Провода свечей зажигания.
4) Снимите:
- Крышку головки блока цилиндров.
- Бачок гидроусилителя руля. НЕ отсоединяйте шланги.
5) Отсоедините датчик давления усилителя рулевого управления.
6) Снимите:
- Расширительный бачок системы охлаждения. НЕ отсоединяйте шланги.
- Заглушку с блока цилиндров [2].
7) Поверните коленчатый вал по часовой стрелке пока почти не будет достигнута верхняя мертвая точка на первом цилиндре.
8) Установите стопорный штифт на коленвал [3].
9) Медленно по часовой стрелке поверните коленвал, пока он не остановится из-за стопорного штифта.
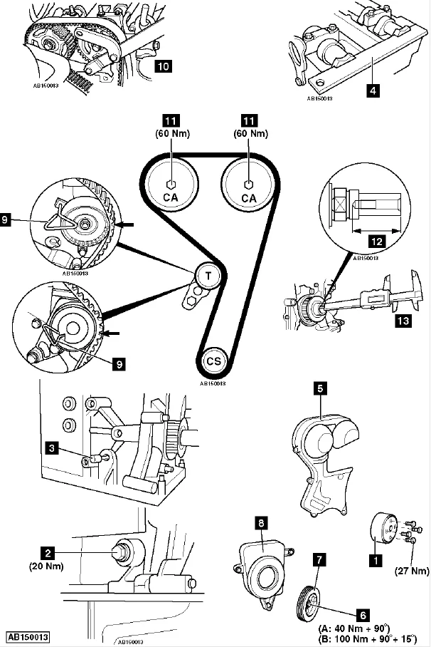
10) Убедитесь, что планка для блокировки распредвалов может быть установлена [4].
11) Если планка для блокировки распредвалов не может быть установлена:
- Снимите стопорный штифт коленчатого вала [3].
- Поверните коленвал на один оборот по часовой стрелке.
- Установите стопорный штифт коленвала [3].
- Убедитесь, что коленвал стал в одном положении со штифтом.
- Убедитесь, что планка для блокировки распредвалов может быть установлена [4].
12) Подоприте двигатель.
13) Снимите:
- Правую опору двигателя.
- Кронштейн правой опоры двигателя.
- Защитную крышку ремня ГРМ [5].
14) Снимите:
- Болт шкива коленвала [6].
- Шкив коленвала [7].
- Нижнюю крышку ремня ГРМ [8].
15) Нажмите на ремень, чтобы ослабить натяжной ролик и вставьте стопорный штифт [9].
16) Снимите ремень ГРМ.
Установка
ВНИМАНИЕ: Звездочка (шестерня) коленвала не имеет шпоночного соединения с коленвалом.
1) Убедитесь в правильной установке фиксатора коленчатого вала [3].
2) Убедитесь, что планка фиксации распредвала установлена правильно [4].
3) Удерживайте шестерни распредвалов [10].
4) Снимите болты каждой из шестерен распредвала [11].
5) Установите по новому болту в каждую шестерню распредвала [11]. Затяните болты от руки.
6) Убедитесь, что шестерни распредвалов имеют свободный ход.
7) Установите ремень ГРМ в направлении против часовой стрелки, начиная со звездочки коленвала.
8) Убедитесь, что ремень натянут между шестернями.
9) Снимите стопорный штифт натяжного ролика [9].
10) Удерживайте шестерни распредвалов [10].
11) Затяните болты каждой шестерни распредвала [11].
- Момент затяжки: 60 Нм.
12) Установите нижнюю крышку ремня ГРМ [8].
13) Проверьте глубину резьбового отверстия коленвала [12]. Используйте подходящий измерительный инструмент [13].
- 42 мм: Используйте новый болт шкива коленвала (M12 x 29 мм).
- 52 мм: Используйте новый болт шкива коленвала (M12 x 44,5 мм).
- 81 мм: Используйте новый болт шкива коленвала (M14 x 80 мм).
14) Установите шкив коленчатого вала [7].
15) Затяните болт шкива коленвала [6]. Используйте новый болт.
Момент затяжки:
- M12: 40 Нм + 90°.
- M14: 100 Нм + 90°.
Подождите 10 секунд. Затяните болт шкива коленвала еще на 15°.
16) Снимите:
- Стопорный штифт коленвала [3].
- Фиксирующую планку распредвалов [4].
17) Медленно поверните коленвал на два оборота по часовой стрелке, пока почти не будет достигнута верхняя мертвая точка на первом цилиндре.
18) Установите стопорный штифт коленвала [3].
19) Медленно по часовой стрелке поверните коленвал, пока он не остановится из-за стопорного штифта.
20) Убедитесь, что планка для блокировки распредвалов может быть установлена [4].
21) Если нет, повторите процедуру натяжения.
22) Снимите:
- Стопорный штифт коленвала [3].
- Планку блокировки распредвалов [4].
23) Установите заглушку к блоку цилиндров [2].
- Момент затяжки: 20 Нм.
24) Установите компоненты в порядке обратному снятию.
Похожие материалы