Почему мотор печки работает только в 4-м положении?
Ford Focus Focus I
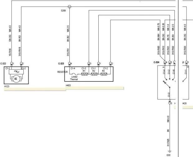
Печка работает только в 4-ом положении. Реостат? Если да, то где он установлен?
5 Ответы
0
Вот тут онлайн Руководство по ремонту и эксплуатации Ford Focus но мельком глянул, кажется упустили в мурзилке рассказать о печке, но схемы есть. Вот тут материал о вентиляторе, но на третьей фоте, слева белая колодка видна, это должно быть оно самое.



задан 10 лет назад
0
Мануал по ремонту и ТО.
задан 10 лет назад
0
Спасибо огромное. Профессионально и четко по вопросу.
задан 10 лет назад
0
Блок резисторов накрылся, вернее скорей всего термопредохранитель отработал (возможно из-за забитого салонного фильтра). Устанавливается рядом с вентилятором печки, чтоб сам блок резисторов находился в потоке воздуха. Если не ошибаюсь, то вещевой ящик нужно снять.
задан 10 лет назад
0
Может быть дадите ссылку на мануал по ремонту?
задан 10 лет назад
Похожие материалы
Осмотр и смазывание втулок моторчика печки Ford Focus 1
Статьи
48.9k
122
1
Подойдёт ли от Escape или от Мазды радиатор масляный на Форд Фокус?
Qa
586
3
Через радиатор масляный проходит антифриз Форд Фокус?
Qa
618
2
Замена термостата Ford Focus 1
Руководства
62.4k
56
10
Как смазать моторчик печки Форд Фокус?
Qa
1.3k
3
Нужен патрубок выходящий из бачка расширителя Форд Фокус
Qa
393
2