Не работают стеклоподъемники в Ауди 100
Audi 100 100 IV (C4)
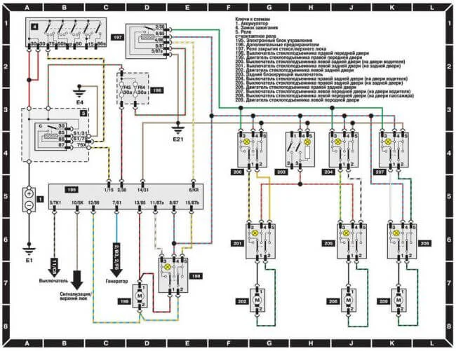
Стеклоподъемники то работают, то не работают. Где искать причину поломки?
Извините нет времени на поиск поломки. Наверное надо нажать на ссылку "закрыть вопрос"?
–
Слава Дергаус
9 лет назад
1 Ответы
1
Проверяйте питание по схеме

задан 9 лет назад
Похожие материалы
Как снять передний бампер на Ауди 100 с4?
Qa
5.9k
1
Как крепятся средние молдинги Ауди 100 Ц4?
Qa
1.6k
1
Почему стеклоочиститель ветрового стекла не плотно прилегает?
Qa
2.9k
3
Подходит ли механизм дворников с Ауди 80 Б4 на Ауди 100 Ц4?
Qa
2.2k
1
Как снять дверь Ауди 100 С4
Qa
2.8k
1
Маркировка стекол автомобиля
Статьи
273.2k
201
34