Дует холодный воздух в ноги на Пассат Вариант
Volkswagen Passat Passat B6
Что делать если в ноги с правой стороны дует холодный воздух из печки? Причины холодного воздуха в ноги с правой стороны на Фольксваген Пассат Вариант В6.
1 Ответы
-1
90% что это заслонка, вернее сервопривод заслонки, нужно разбирать и смотреть. Этот электро-привод заслонки или сгорел, или его заклинило. Без разбора торпеды не обойтись… снимать бардачёк, блок комфорта и т.д.

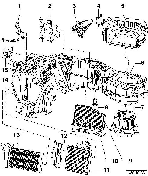
- Привод заслонки регулирования температуры
- Кронштейн
- Крышка
- Исполнительный электродвигатель заслонок приточной вентиляции и рециркуляции воздуха
- Корпус воздухозаборника с заслонкой приточной вентиляции/рециркуляции
- Отопитель
- Приточный вентилятор
- Балластное сопротивление приточного вентилятора с предохранителем защиты от перегрева
- Салонный фильтр
- Крышка для салонного фильтра
- Теплообменник
- Кожух теплообменника
- Нагревательный элемент дополнительного воздушного отопителя
- Распределительный короб
- Привод заслонок распределения воздуха
Устранение проблемы с приводом заслонки можно посмотреть тут:http://vwts.ru/forum/index.php?showtopic=144985&hl=%EC%EE%F2%EE%F0%F7%E8%EA
А еще как вариант (если проблема возникла после замены салонного фильтра) неправильно установлен фильтр, неплотно закрыта крышка...
задан 12 лет назад
Похожие материалы
Замена прокладок масляного стакана и охладителя Пассат Б6
Руководства
25.9k
50
2
Замена фланца (тройника) системы охлаждения Passat B6
Руководства
15.8k
13
0
Не работает вентилятор печки в Пассат Б6
Qa
3.7k
2
Не включается мотор вентилятора отопителя климатроник Пассат Б6
Qa
2.7k
1
Кондиционер отключается в Пассат Б6
Qa
596
1
На радиаторе кондиционера какое-то вещество в Пассат Б6
Qa
380
1