Почему пропал плюс, не доходит до трамблера в Пежо 605?
Peugeot 605 605
Машина сама по себе заглохла, не работает насос на бензин и нет искры на свечках, насос в рабочем состоянии.
2 Ответы
0
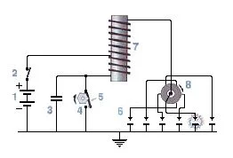
Плюс должен приходить на катушку, от неё на трамблер который замыкает обмотку на массу. При размыкании в катушке наводится эдс и на выходе высоковольтной катушки появляется напряжение которое распределителем подключается к свечам. Так что начинайте поиск напряжения с катушки и целостность катушки проверьте.

задан 10 лет назад
0
Может быть замок зажигания, может предохранитель, может реле...
задан 10 лет назад
Похожие материалы
За что отвечает проводок подсоединённый к карбюратору Пежо 605?
Qa
527
3
Как подключить электронный клапан ТНВД на Пежо 605?
Qa
2.8k
3
Дворники не всегда работают в Пежо 605
Qa
7.1k
2
Засвітилось на табло символ stop, одночасно із символом масло, Пежо 605
Qa
1.3k
1
Плохая работа двигателя Пежо 605 в сырую погоду
Qa
3k
1
Подойдет ли ЭБУ Пежо 605 95 года на авто 96 года?
Qa
153
1